产品概述
门电路是数字电路中最基本的逻辑单元。它可以使输出信号与输入信号之间产生一定的逻辑关系。在数字电路中,信号大都是用电位(电平)高低两种状态表示,利用门电路的逻辑关系可以实现对信号的转换。
力芯微推出低功耗D型触发器ET74LVC1G74,输出端口拉灌电流24mA,该器件支持3.3V或5V电源驱动,这一特性使其能够作为转换器应用于混合3.3V与5V供电环境。
产品特点
输入电压范围:1.65V – 5.5V
高抗噪性
拉灌电流能力24mA
多种封装形式:MSOP8
典型应用

管脚定义

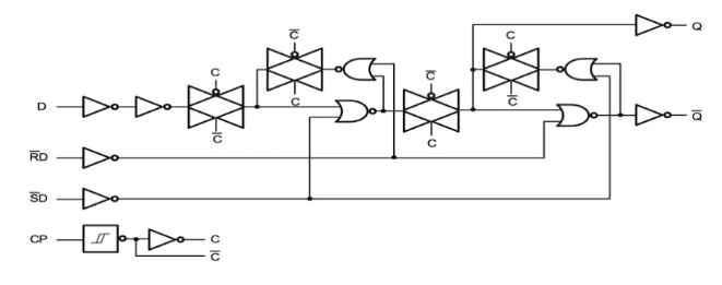
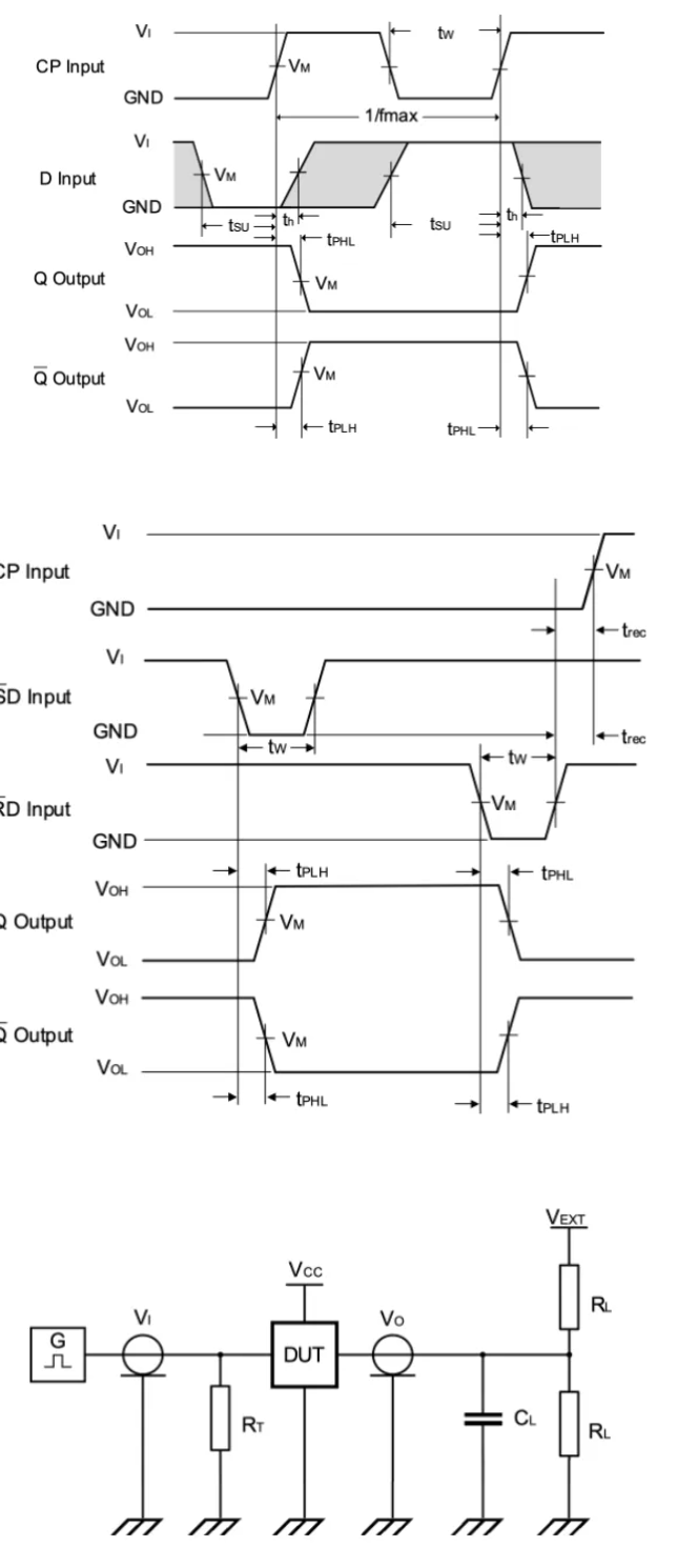
功能框图

真值表

其他亮点

在线留言询价
| 型号 | 品牌 | 询价 |
|---|---|---|
| TL431ACLPR | Texas Instruments | |
| RB751G-40T2R | ROHM Semiconductor | |
| CDZVT2R20B | ROHM Semiconductor | |
| BD71847AMWV-E2 | ROHM Semiconductor | |
| MC33074DR2G | onsemi |
| 型号 | 品牌 | 抢购 |
|---|---|---|
| STM32F429IGT6 | STMicroelectronics | |
| BP3621 | ROHM Semiconductor | |
| IPZ40N04S5L4R8ATMA1 | Infineon Technologies | |
| ESR03EZPJ151 | ROHM Semiconductor | |
| BU33JA2MNVX-CTL | ROHM Semiconductor | |
| TPS63050YFFR | Texas Instruments |
AMEYA360公众号二维码
识别二维码,即可关注
请输入下方图片中的验证码: