English 简体中文 日本語

309NPC250

POT 250 OHM 1W CERMET PC TERM

Manufacturer Honeywell Sensing and Control
MPN 309NPC250
SPQ 1
ECCN --
Schedule B --
RoHS --
Datasheet --

Quote

Demand quantity Target price
Contact number name
company email

Product parameter

-Tolerance ±10%
-Termination Style PCB Pins
-Resistance (Ohms) 250
-Mounting Type Through Hole
-Number of Gangs 1
-Actuator Type Slotted
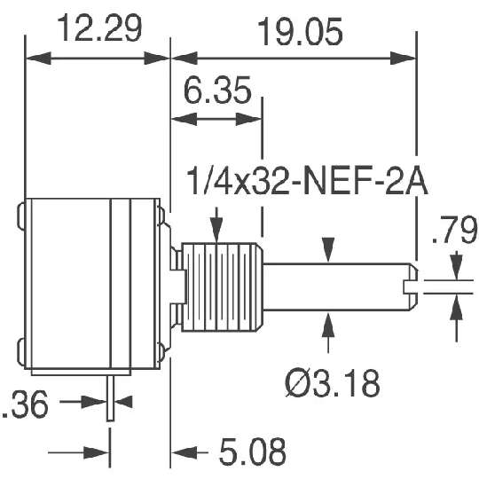
-Catalog Drawings 30(8,9)NPC Series Side
-Bushing Thread 1/4-32
-Taper Linear
-Series 309NPC
-Rotation 295°
-Number of Turns 1
-Adjustment Type Side Adjustment
-Power (Watts) 1W
-Resistive Material Cermet
-Actuator Diameter 0.125" (3.18mm)
-Actuator Length 0.750" (19.05mm)
-Standard Package   100
-Packaging   Bulk  
-Built in Switch None
-Family Rotary Potentiometers, Rheostats

Copyright © 1997-2013 NetEase. All Rights Reserved.